Привіт, увійти
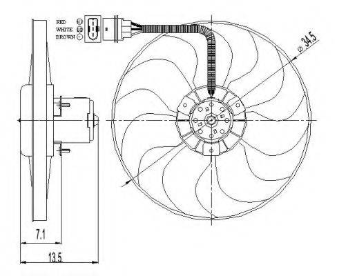
Вентилятор системи охолодження двигуна на VW LUPO
Оберіть рік випуску VW LUPO для точного підбору:
1VW
2Lupo
3Рік випуску
4Двигун
5Модифікацію
2000-е
20002001200220032004200520062007200820091990-е
1990199119921993199419951996199719981999k=10437
Введіть VIN-код свого автомобіля
Знайти
Введіть держ.номер свого автомобіля
Знайти
Всі товари Вентилятор системи охолодження двигуна
Немає часу
на пошук автозапчастин?Ми продаємо Вентилятор системи охолодження двигуна на такі модифікації VW LUPO:
LUPO (6X1, 6E1)
1.01.2 TDI 3L1.41.4 16V1.4 FSI1.4 TDI1.6 GTI1.7 SDILUPO (5Z1)
1.6Вентилятор системи охолодження двигуна на інші моделі VW:











